9급 국가직 공무원 응용역학개론 (2021년04월17일 기출문제)
1과목 : 과목 구분 없음
1번
그림과 같은 라멘 구조물의 부정정 차수는?

2번
폭 200mm, 높이 600mm인 직사각형 단면을 가진 단순보의 지간이 2m이다. 허용 휨응력이 50MPa일 때, 지간 중앙에 작용시킬 수 있는 수직 집중하중 P의 최대 크기[kN]는? (단, 휨강성 EI는 일정하고, 구조물의 자중은 무시한다)
3번
그림과 같은 두 켄틸레버보에서 자유단의 처짐이 같을 때, P1/P2 는? (단, 두 보의 휨강성 는 일정하고 동일하며, 구조물의 자중은 무시한다)

4번
부정정 구조물이 정정 구조물에 비해 갖는 장점으로 옳지 않은 것은?
5번
그림과 같은 사다리꼴 단면에서 도심으로부터 y축까지의 수평거리[m]는?

6번
그림 (a)와 (b)에서 하중작용점의 축방향 길이 변화가 각각 δa와 δb일 때, δb/δa 는? (단, 구조물의 자중은 무시하며, E는 탄성계수, A는 단면적이다)

7번
그림과 같이 수평 스프링 A에 무게가 16N과 10N인 두 개의 강체블록 B와 C가 연결되어 평형을 이루고 있다. 수평 스프링 A가 받는 힘의 크기[N]는? (단, 바닥과 강체블록 B 사이의 정지마찰계수는 0.3이고, 도르래와 줄의 질량과 마찰력은 무시한다)

8번
원형 단면의 단순보에서 단면의 직경은 0.2m이고 탄성 처짐곡선의 곡률반지름이 1,000πm일 때, 휨모멘트의 크기[kNㆍm]는? (단, 탄성계수 E = 200,000MPa이다)
9번
그림과 같이 단순보의 양단에 모멘트 M이 작용할 때, A점의 처짐각의 크기는? (단, 휨강성 EI는 일정하며, 구조물의 자중은 무시한다)

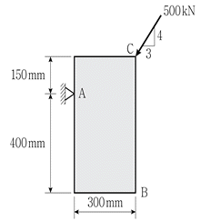
10번
그림과 같이 500kN의 힘이 C점에 작용하고 있다. A점에서 물체의 회전이 발생하지 않도록 하는, B점에서의 최소 힘의 크기[kN]는? (단, 구조물의 자중은 무시한다)

11번
평면 트러스 해석을 위한 기본 가정으로 옳지 않은 것은?
12번
다음 그림은 단면적이 0.2m2, 길이가 2m인 인장재의 하중-변위 곡선을 나타낸 것이다. 이 재료의 탄성계수 E[MPa]는?

13번
다음 설명 중 옳지 않은 것은?
14번
그림과 같이 직경 D=20mm, 길이 L=1.0m인 강봉이 축방향 인장력 P를 받을 때, 축방향 길이는 1.0mm 늘어나고 단면의 직경은 0.008mm 줄어들었다. 재료가 탄성 범위에 있을 때, 전단탄성계수 G[GPa]는? (단, 탄성계수 E=280GPa이다)

15번
그림과 같은 게르버보에서 A~D점에 대한 수직반력의 영향선 중 옳은 것은?

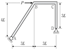
16번
그림과 같이 B점에 수평력 P가 작용할 때, C점의 휨모멘트는? (단, 구조물의 자중은 무시한다)

17번
그림과 같은 구조물의 절점 O점에서 모멘트 16kNㆍm가 작용할 때, D점의 모멘트 MDO의 크기[kNㆍm]는? (단, 탄성계수 E는 일정하며, 구조물의 자중은 무시한다)

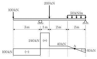
18번
다음 그림은 내민보의 전단력도이다. A점의 휨모멘트의 크기[kNㆍm]는? (단, 구조물의 자중은 무시한다)

19번
그림과 같은 트러스에서 무응력 부재의 총 개수는? (단, 구조물의 자중은 무시하며, 모든 부재의 축강성 EA는 일정하다)

20번
그림과 같은 평면응력 상태에서 σx = 40MPa, σy = -20MPa, τxy = 30MPa일 때, 최대 주응력의 방향(θ)은?
